扫码购买正式版题库
- 海量题库
 - 全真模拟
 - 专项训练
 - 预测试题
 - 押题密卷
 - 错题强化
 
                        
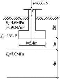
                    某柱下独立基础的底面尺寸为1.6m×2.4m。上部结构传至基础顶面的荷载准永久组合值Fk=600kN,基础埋深d=2.0m,其余如图所示。
3.确定分层总和法算出的基底中心的地基变形量s′最接近于(  )mm。
                    
                    
                        单选题
                    某柱下独立基础的底面尺寸为1.6m×2.4m。上部结构传至基础顶面的荷载准永久组合值Fk=600kN,基础埋深d=2.0m,其余如图所示。3.确定分层总和法算出的基底中心的地基变形量s′最接近于( )mm。
A36.2
B43.5
C48.8
D50.3
最新更新

热门题库
- 检验类题库
 - 安全工程师题库
 - 护理类题库
 - 制冷与空调作业题库
 - 中式面点师题库
 - 安全员(三类人员)题库
 - 焊工题库
 - 汽车驾驶员题库
 - 茶艺师题库
 - 钳工题库
 - 投资项目管理师题库
 - 中式烹调师题库
 - 中级安全工程师题库
 - 安全员题库
 - 公安政法干警题库
 - 教师资格题库
 - 高级会计题库
 - 三支一扶题库
 - 煤矿特种作业人员题库
 - 国家公务员题库
 - Q起重机械作业题库
 - 演出经纪人题库
 - 注册消防工程师题库
 - 会计从业资格考试题库
 - 安全管理人员题库
 - P气瓶作业题库
 - 基金从业资格题库
 - 煤矿安全管理人员题库
 - 公用设备工程师题库
 - 金属非金属矿山安全作业题库
 - 电工题库
 - 软件水平考试题库
 - 建筑特殊工种题库
 - 审计师题库
 - 岩土工程师题库
 - 二级建造师题库
 - 煤矿主要负责人题库
 - 执业药师题库
 - 健康管理师题库
 - 焊工作业题库
 - 施工员题库
 - 设备监理师题库
 - 研究生入学题库
 - 冶金(有色)生产安全作业题库
 - 二级注册建筑师题库
 - 报检员题库
 - 西式面点师题库
 - 高处作业题库
 - 卫生类题库
 - 美容师题库
 - 初级会计职称题库
 - 营养师题库
 - 成考(专升本)题库
 - 注册环保工程师题库
 - 试验检测师(含助理)题库
 - 期货从业资格题库
 - A特种设备安全管理题库
 - 资料员题库
 - 物业管理师题库
 - 理财规划师题库
 - 税务师题库
 - 一级造价工程师题库
 - 统计师题库
 - 注册会计师题库
 - 事业单位公开招聘题库
 - 二级造价工程师题库
 - T电梯作业题库
 - 环境影响评价工程师题库
 - 陕西省-社区专职工作人员招聘题库
 - 材料员题库
 - 注册结构工程师题库
 - 土木工程师(水利水电)题库
 - 同等学力申硕题库
 - (高级)经济师题库
 - D压力管道作业题库
 - 招标师题库
 - 标准员题库
 - 车工题库
 - 质量工程师题库
 - 高校教师资格证题库
 - 消防设施操作员题库
 - 保育员题库
 - 证劵从业(旧版)题库
 - (中级)银行从业资格题库
 - 机械员题库
 - 土地登记代理人题库
 - 一级建造师题库
 - 心理咨询师题库
 - 劳务员题库
 - BIM工程师题库
 - 证券投资顾问题库
 - (初级)银行从业资格题库
 - 证劵从业(新版)题库
 - 汽车修理工题库
 - 自考(医学)题库
 - 注册测绘师题库
 - 监管人员执法题库
 - 资产评估师题库
 - 咨询工程师题库
 - 教师招聘题库
 - 医师类题库
 - 导游资格证题库
 - 中级会计职称题库
 - 注册城乡规划师题库
 - (初级)经济师题库
 - 主治类题库
 - 理工类题库
 - 卫生招聘考试题库
 - 成考(高起点)题库
 - 质量员题库
 - 综合类题库
 - 房地产估价师题库
 - 电工作业题库
 - 证券分析师题库
 - 房地产经纪协理题库
 - 省公务员-行测题库
 - 军队文职人员招聘题库
 - 房地产经纪人题库
 - 中药学类题库
 - 消防工程师题库
 - 银行招聘考试题库
 - 药学类题库
 - 一级注册建筑师题库
 - 煤矿班组长题库
 - 投资银行业务-保荐代表人题库
 - 报关员题库
 - 特种设备焊接作业题库
 - R压力容器作业题库
 - N厂内专用机动车辆作业题库
 - 烟花爆竹安全作业题库
 - 企业人力资源管理师题库
 - 会计从业题库
 - 石油天然气安全作业题库
 - 初级管理会计师题库
 - 道路运输题库
 - 注册电气工程师题库
 - (中级)经济师题库
 - G锅炉作业题库
 - 健康管理师题库
 - 法律职业资格(原司法考试)题库
 - 社会工作者题库
 - 危险化学品安全作业题库
 - 监理工程师题库
 - 主要负责人题库
 - 国家电网招聘题库
 

3.确定分层总和法算出的基底中心的地基变形量s′最接近于(  )mm。